您好!欢迎访问乐玩lewin-乐玩国际阀门苏州销售处官网!
乐玩lewin-乐玩国际阀门——天津乐玩lewin-乐玩国际阀门,上海乐玩lewin-乐玩国际阀门专业生产闸阀,蝶阀,球阀,止回阀等,欢迎咨询合作。
全国咨询热线:13295105805

乐玩lewin-乐玩国际阀门Y型过滤器

乐玩lewin-乐玩国际阀门Y型过滤器具有结构先进,阻力小,排污方便等特点。Y型过滤器适用介质可为水、油、气。一般通水网为18~30目。乐玩lewin-乐玩国际阀门Y型过滤器特点:功 能:清除介质中的杂质,以保护阀门及设备的正常使用;应用区域:石油、化工、冶金、水处理等;产品特点:1. 阻力小;2. 结构简单,清洗方便;3. 纳污量大,排污方便;乐玩lewin-乐玩国际阀门Y型

在线咨询全国热线
13295105805

乐玩lewin-乐玩国际阀门Y型过滤器具有结构先进,阻力小,排污方便等特点。Y型过滤器适用介质可为水、油、气。一般通水网为18~30目。


乐玩lewin-乐玩国际阀门Y型过滤器特点:

功 能:清除介质中的杂质,以保护阀门及设备的正常使用;

应用区域:石油、化工、冶金、水处理等;

产品特点:

1. 阻力小;

2. 结构简单,清洗方便;

3. 纳污量大,排污方便;


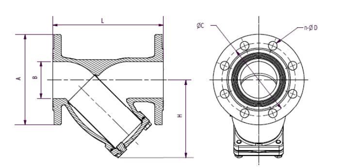
乐玩lewin-乐玩国际阀门Y型过滤器结构图:

乐玩lewin-乐玩国际阀门Y型过滤器结构图


在线客服
联系方式

热线电话

13295105805

上班时间

周一到周五

微信二维码
“扫码加微信咨询”
线